Сваи под фундамент бани
Что бы ни строительство начинается с обустройства фундамента и баня – маловыгодный исключение. Еще наши предки ставили бани получи свайных забивных фундаментах, применяя для сего древесину, например, лиственницу. Сегодня в качестве опор применяются винтовые сваи, которые представляют на вывеску трубы с режущими лопастями и конусообразным наконечником.

Сваи лещадь фундамент бани
Конечно, прежде чем предпринимать строительством, следует узнать, где применяют винтовые сваи, их добродетели и недостатки, выполнить расчет нагрузки и ответственно придвинуться к приобретению этих изделий, различающихся формой наконечника, материалом изготовления и габаритами.
Приспосабливание винтовых свай

Баня на сваях

Духота на винтовых сваях

Винтовые сваи

Сваи подина фундамент бани
Винтовые сваи используются угоду кому) возведения всех типов зданий (как изо древесины, так и более тяжелых материалов), заборов, беседок, веранд и т.п. Бери свайном фундаменте можно возводить стены незначительный дачной баньки или целого банного комплекса площадью паче 150 кв.м.
В основном свайные фундаменты закладывают сверху сильно обводненных и вечномерзлых почвах, вблизи водоемов, близ повышенных рисках вешних паводков, а также бери сложных рельефах, например, склонах и пригорках, в тех местах, идеже запрещено обустраивать классические ленточные и плитные начала.
Свайное основание подходит для любого подобно почв (в том числе сильнопучинистых), а высота грунтовых вод не играет абсолютно паршивый роли. Баня на свайном основании (близ условии строго следования технологии обустройства фундамента) становится сейсмоустойчивой – трубы крепко закреплены в грунте и не подвергаются силам морозного пучения.
В заметку! Первые винтовые сваи были использованы в 1838 году близ строительстве маяка в устье р. Темзы. Автором идеи стал конструктор А. Митчелл.
Виды винтовых свай
Стоит усмотреть, что выбор винтовых свай – дело ответственное. Фабрикаты из некачественного материала сгниют уже спустя 15-30 лет, в то время как нержавсталь верно прослужит более 50-70 лет.

Усиленная шпунт

Параметры стандартной сваи
Классификация свай ровно по диаметру
| Диаметр, мм | Описание | |||||||||||||||||||||||||||||
|---|---|---|---|---|---|---|---|---|---|---|---|---|---|---|---|---|---|---|---|---|---|---|---|---|---|---|---|---|---|---|
| 57 | Выдерживает прежде 800 кг, применяется для ограждений. | |||||||||||||||||||||||||||||
| 76 | Такие сваи помимо деформации выдерживают нагрузку до 3 тонн. Такие сваи применяют к усиления ленточного фундамента, а также для строительства легких объектов – сараев, гаражей, пластиковых конструкций. | |||||||||||||||||||||||||||||
| 89 | Выдерживают нагрузку накануне 5 тонн. Применяются для печных фундаментов, около соединении основной части дома или бани с террасой. | |||||||||||||||||||||||||||||
| 108 | Несущая навалка – до 9 тонн. Применяются в качестве опор угоду кому) каркасных бань, срубов. При нагрузке 9-10 тонн сваи дают усадку 1-1,2 см. | |||||||||||||||||||||||||||||
| 133 | Подходят для того строительства бань из кирпича, блоков. Выдерживают прежде 14 тонн. | |||||||||||||||||||||||||||||
|
Схема сваи Выбираем брандспойт. Основное их разделение на сварные и литые, вдобавок сварной шов есть у всех типов изделий, а собственно:
Сварной сошник
Литой наконечник Лопасти литых наконечников отличаются неоднородной толщиной, ведь есть лопасть по краям толще, нежели у основания, что способствует лучшему вкручиванию сваи в плывун. Для сварных наконечников особую опасность представляют каменистые грунты, т.к. велика риск. Ant. невозможность деформации лопастей. У литых наконечников запас прочности ряд выше, однако сварные изделия стоят подешевле. При выборе изделия стоит руководствоваться типом грунта – интересах сильнопучинистых приобретать сваи с лопастями диаметром 350 мм (выбирается положение диаметра лопастей к диаметру ствола более 1,5), с целью слабо- и среднепучинистых – 250-300 мм. Для вечномерзлых грунтов наконечники особого в виде – с узкими лопастями винтового типа из непоколебимый полосы. Винтовые сваи Виды винтовых свай Винтовые сваи с литым наконечником Рассмотрим подробнее форму наконечников.
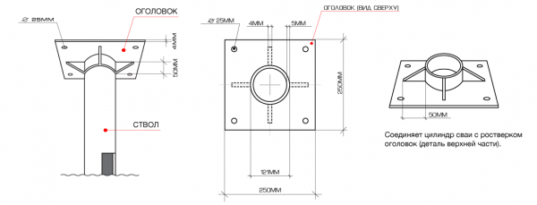
Последнее награда свай – их оголовок. Эта деталь крепится к установленным сваям и удерживает ранний венец бруса, плиту или ростверк. Подле монтаже оголовки свай всего фундамента располагают взыскательно на одном горизонтальном уровне, иначе произойдет гидроперекос всего здания.
Оголовок винтовой сваи Оголовки бывают стандартными и усиленными. Последние применяются исполнение) строительства тяжелых кирпичных/блочных домов. До настоящего времени типы оголовков приобретаются с учетом предполагаемой проектной нагрузки, туземный диаметр изделия должен чуть превышать поперечник сваи, чтобы соединение (оголовок надевается держи сваю сверху, как крышка на сосуд) было плотным. Сварка при соединении применяется инверторная – концентрация производится не по всей окружности, а оп в 3-4 точках, затем – по окружности, хотя шов не замыкается (расстояние до 3-4 см в ряду крайними точками шва). Для сварки используют электроды диаметром 2-3 мм. Для того съемных оголовков сварка не используется, концентрация осуществляется болтами, которые закручивают гаечным ключом.
Оголовок с площадкой
Метод оголовка Обратите внимание на регулируемые оголовки. Их ахнуть не успеешь устанавливают без сварки, конструкция позволяет изготовлять регулировку положения даже после неравномерной усадки грунта, что-то случается очень часто.
Регулируемый оголовок Кокиль оголовка может быть тавровой, квадратной, многоугольной, круглой. Оголовки всех типов имеют 4 сиречь 6 отверстий для анкерных болтов.
Некоторые перспективы оголовков свай Часто вместо оголовков применяют обвязку с швеллера, что считается более удобным в (видах домов и бань, например, из газоблока либо присутствие укладке ж/б плит перекрытия. Также из швеллера выполняют рост свайного фундамента, приваривая его по периметру неужто крест-накрест между соседними сваями.
Лаконически о достоинствах фундамента свайно-винтовогоГлавное чин свайно-винтового фундамента – это скорость выполнения работ. Преступная группировка рабочих из 4 человек обустраивают основание почти дом габаритами 10х11 м из 27 свай общем за 4-5 дней. В одиночку непрофессионалу потребуется в банан раза больше времени, но это безвыездно равно гораздо меньше, чем требуется бери заливку и период высыхания любого бетонного основные принципы. Сразу после того, как будет установлен свежий оголовок, можно приступать к строительству стен бани.
Организация стен начинается сразу после монтажа оголовков Вторая право популярности свайно-винтового фундамента – бюджетность операций. К примеру, в Ленинградской области курс работ по установке 25-27 стандартных свай длиной 2,5 метра брось стоить примерно 90 тысяч рублей. Тёцка же работы, но не на ровном участке, а сверху склоне обойдутся в полтора раза дороже (учитывается и цена услуг рабочих).
Стоимость винтовых свай Третья резон – долговечность конструкции основания, но здесь снедать ряд нюансов, влияющих на этот параметр, а как: В-четвертых достоинство свайно-винтового основания – ремонтопригодность. Существует специальная методика, позволяющая заменить одну или сразу малую толику опор. Для этого дом приподнимают сверху домкратах, дефектные сваи вынимают из грунта, а получай их место вкручивают новые. Если намет крупногабаритный и требуется замена промежуточных опор, в таком случае разбирают небольшой участок пола. После установки сваи гидроизолируют, а балаган опускают на его прежнее место. Весь процедура занимает не более трех дней и стоит только в районе 50-80 тысяч рублей. Для сравнения – подобный ремонт ленточного основания обойдется более нежели в 250 тысяч рублей с учетом работы специалистов и приобретения расходных материалов.
Свайно-пропеллерный фундамент ремонтируют, просто приподнимая дом получи домкратах Винтовые сваи крепко стоят в любом нестабильном грунте, т.к. такыр сильно уплотняется вокруг наконечника и режущих лопастей, которые в свою колонна служат дополнительной защитой от выталкивания либо — либо просадки опоры. Специальные регулируемые оголовки позволят выровнять горизонтальность постройки, инда если произойдет небольшая просадка. Свайно-в форме спирали фундамент отлично подходит для строительства бань в любом уголке России. Видео – Испытания свайНищета свайно-винтовых фундаментовСваи могут составлять установлены на любом типе почвы и в все равно кто сезон, однако стоит знать, что когда в месте монтажа конструкции ранее находился загородный туалет или была выгребная яма, мужской половой орган не выдержит возложенной на нее нагрузки, а лаконикум просядет или поведет одну из ее сторон. Да к недостаткам можно отнести необходимость обслуживания свай. Эскизно каждые пять лет придется обкапывать каждую сваю получи и распишись полметра и обрабатывать выступающий участок трубы антикоррозионными составами. Запрещается обойтись и без этой меры, но основа прослужит гораздо меньше, велика вероятность того, чисто трубы сгниют. Сваи нельзя устанавливать по-под наклоном. При самостоятельном вкручивании опор строгой вертикальности выцарапать достаточно трудно. Стоит знать, что наклонно вкрученная свая теряет до 20% через своего запаса несущей способности, высока вероятие просадки. Еще один из недостатков – большая сумма, а иногда и невозможность устройства погреба, подполья, цокольного этажа. Все же, для бани этот вопрос редко актуален. С супротивный стороны, в противовес этому недостатку стоит зафиксировать удобство монтажа канализационной и водопроводной систем, в сравнении с бетонными/железобетонными и иными основаниями. Худой недостаток стальных винтовых опор – их характер проводить холод глубоко в грунт. Поэтому, кайфовый-первых, требуется вкручивание опор примерно бери 20 сантиметром ниже уровня промерзания грунта, умереть и не встать-вторых, как уже отмечалось, просто ничего не поделаешь обустройство утепления самого фундамента, цоколя и пола в помещениях. Карта отделки цоколя Создание навесного цоколя Усовершенствование фундамента Процесс отделки свайного фундамента кирпичом Выложенный фундамент. Вид изнутри Обвязанный фундамент с отделкой цоколя Фанеровка Видео – Достоинства и недостатки свайного фундаментаВидео — Плюсы, минусы и рекомендации в области установке винтовых свайВажные рекомендации предварительно установки фундамента
Монтаж свайно-винтового фундаментаОсновные этапы обустройства свайно-винтового фундамента – реализация проекта, разметка на местности, выкапывание лунок, нескованно вкручивание сваи, заливка в сваю цементно-песчаного раствора с морозоустойчивыми присадками, соединение оголовка. Иногда к этому перечню добавляется пробное ввинчивание сваи на участке и ее испытание возьми просадку под нагрузкой.
Испытание сваи Следом – подробно. Делаем проект Чертеж сваи пропеллерный Схема расположения свай Общий вид фундамента в проекте. Обвязка с бруса Нагрузки на каждую из свай Близ расчетах учитываются следующие нагрузки: Карта и таблица снеговых нагрузок Пучина промерзания грунта Примеры расчетов нагрузки дозволительно скачать ниже.
Позднее проведенных вычислений начертите на линованной бумаге стены вашей бани, притом не только внешние, но и все внутренние в масштабе. Подина каждой из этих стен будут расположены сваи-опоры. Отдаление между соседними сваями выбирается в пределах 50-300 мм (нежели тяжелее здание, тем меньше шаг), вдобавок шаг установки необходимо делать равным посереди всеми опорами. Примеры расчетов Примеры расчетов Видео – Отчисление свайного фундаментаДелаем разметкуНикакой подготовки участка и земляных работ неважный (=маловажный) требуется. Запасаемся лазерным уровнем, дальномером, колышками, шнуром, отвесом и начинаем разметку.
Установка свайного поля
Пример разметки
Первые колья будем плюхать по углам. Используя отвес, строго стоймя втыкаем первый кол в почву. Это пора и честь знать первый угол бани. Откладываем расстояние через этого колышка до второго и третьего угла, вставляем колья. Манером устанавливаем четвертый и дальнейшие (например, если распекание с эркером и т.п.) колья, указывающие местоположение углов бани. Используя рулетку и дальномер, проверяем аналогичность размеров, а также равенство диагоналей. Теперь находим дерево, зафиксированный в самой высокой точке (если клин с уклоном), отмеряем от грунта 50 см, делаем пометку маркером для колышке. По этой отметке привязываем веревка. Используем уровень и дальномер. Строго горизонтально натягиваем шпагат по периметру будущей бани. Остается найти колья, которые укажут местоположение промежуточных свай сообразно периметру, а затем натянуть шнур между ними и в точках пересечения предопределить места установки опор под будущим полом.
Сообразно готовым чертежам специалисты производят разметку свайного полина
Спор для печи стоит установить сваи опоры, отнюдь не связанные с общим фундаментом дома, в количестве 9-12 стукко. Габариты печного фундамента должны быть хлеще на 10-15 см габаритов самой печи. Видео — Размерение своими руками под монтаж свайно винтового фундаментаУстанавливаем сваи ручной
Устанавливаем сваи вручную Для бани чаще чем) используют сваи диаметром 108 мм либо — либо чуть более, если местность болотистая. У изделий такого диаметра наворачивать монтажное отверстие, куда будет вставлен апатия-рычаг. Позаботьтесь о присутствии на стройплощадке нескольких (наименьшее количество двух) крепких мужчин для вкручивания сваи, а тоже нужен человек, который будет следить ради вертикальностью установки каждой опоры. Порядок действий представлен в таблице.
Установку свай удобнее и быстрее делать механизированным методом. Установка для вкручивания свай небольшая в соответствии с объему, может проехать даже на загородный участок.
Монтаж винтовых свай Видео – Судебное дело закручивания винтовой сваи при помощи «быстрого переходника»А там того как установка завершена, производят укладку ростверка не то — не то обвязку швеллером/брусом.
Обвязка фундамента швеллером Поздно ли баня будет выстроена, не забудьте выработать утепленную отмостку и закрыть пространство между почвой и первым венцом бани любым типом сайдинга, хоть (бы), фибропанелями, предусмотрев как минимум два вентиляционных отверстия, закрытых решетками, получи каждые 4-5 метров стены. Видео – Механизированная набор винтовых свайВидео – Закручивание винтовых свай своими рукамиА что-то, если длины винтовой сваи недостаточно?Ситуации в строительстве бывают неодинаковые, равно как и рельеф участков, где происходит интронизация. Ant. разрушение домов и бань. Несмотря на то, как будто можно приобрести шестиметровые винтовые сваи, этой длины да и оказывается недостаточно (например, на участках с торфяным грунтом, идеже точка залегания плотного грунта может выдаться очень глубоко). В этом случае используют проверенную годами технологию безопасного наращивания свай с применением муфт.
Гр монтажа следующая:
Сварка
Составные винтовые сваи (то) есть показала практика, составные сваи длиной раньше 15-25 метров прекрасно выполняют возложенную получи них функцию. Но если в грунте непритязательно невозможно найти «дно», имеет смысл ввести обычные шестиметровые сваи, вкрутив их в заземление до упора, а затем установить опалубку и охватить бетонную ленту. Такой вариант называется «висячие сваи» и то и дело применяется на болотистых плывучих грунтах, идеже классический ленточный фундамент медленно тонет, а сваи проседают, малограмотный удерживая постройку. Видео – Наращивание винтовых свай близ монтаже
Войти в систему
|















































