Печь для сауны электрическая 220 В
Баня, сауна, хамам и многие другие подобные помещения, в которые люди приходят отдохнуть, расслабиться и оздоровиться заметно отличаются друг от друга, но есть одна вещь, которая объединяет все существующие разновидности парилок – тепло.

Печь для сауны электрическая 220 В
Источником тепловой энергии в парилке традиционно служит печь. И если ранее для обогрева пространства парилки преимущественно использовались каменки, работающие на дровах и других разновидностях твердого топлива, то сегодня все большую популярность набирают электрические агрегаты, работающие от обычной сети 220 В.

Современные электропечи для бани
Изучив нижеизложенную информацию, вы узнаете, как работают электрические печи, в чем их преимущества перед прочими моделями, чем руководствоваться при выборе подобного агрегата, а также как самостоятельно выполнить его установку и подключение в парной.

Нюанс установки электрокаменки
Основные сведения об электрических печах для сауны
Конструкция типичной электрической печи для сауны состоит из корпуса, теплоизоляционной прослойки и электронагревателя (традиционно это ТЭНы). Наружная часть корпуса покрыта металлическими пластинами, внутри которых обустроены каналы для циркуляции воздуха. Корпус электрической печи для сауны заполняется камнями. Рекомендация по выбору таковых проста: чем больше размер уложенных камней, тем быстрее прогревается пространство парилки, обогреваемой электрической печью. Теплоизоляционный слой в конструкции современных электрических печей для сауны представлен стальными экранами, размещенными один за другим.

Основные сведения об электрических печах для сауны

Электрические печи Harvia
Конструкция современных электрических печей абсолютно безопасна – в продаже присутствуют агрегаты, которые можно безо всяких опасений и сложностей использовать даже в квартирных саунах.

Электрическая каменка для бани и сауны Harvia Globe
Схема традиционной модели электрической печи для сауны показана на следующем изображении.

Схема традиционной модели электрической печи для сауны
«Сердцем» электрической печи являются ТЭНы. У многих неосведомленных граждан, планирующих приобрести подобный агрегат для своей сауны, возникает ряд вопросов в отношении нагревательных элементов. Ответы на наиболее популярные из них представлены в следующей таблице.
Таблица. Особенности использования ТЭНов электрических печей для сауны
| Вопрос | Ответ |
|---|---|
Как правильно укладывать камни на ТЭНы? |
Укладка камней выполняется так, чтобы ТЭНы были полностью закрыты. Благодаря этому будет обеспечена защита нагревательных элементов от попадания воды. Одновременно с этим, между камнями нужно оставлять зазор для обеспечения должного воздухообмена. |
Можно ли лить воду на камни? |
ТЭНы являются электрическими элементами, следовательно, лить на них воду нельзя. Подливать воду разрешается исключительно на камни, при этом жидкость должна быть теплой. В противном случае трубчатый электронагреватель, если и не сразу, то очень быстро выйдет из строя. |
Сколько служат ТЭНы? |
В отношении данного момента все зависит от производителя, особенностей конструкции и эксплуатации нагревательного агрегата. На практике установлено, что средний срок службы бюджетных моделей и устройств средней ценовой категории составляет порядка 5-6 лет. Более дорогие ТЭНы исправно служат до 10 лет. В коммерческих саунах этот показатель уменьшается до 2-3 лет. |
Почему именно электрическая печь?
Во-первых, современные электрические печи характеризуются гораздо более высокими показателями прочности и срока службы по сравнению со своими обыкновенными дровяными «собратьями».

Электрокаменки
К числу дополнительных достоинств электрических печей следует отнести нижеперечисленные показатели:

Электрокаменка для сауны и бани
При этом к обстановке, создаваемой электрической печью для сауны, нет никаких претензий: парилка прогревается максимально равномерно и быстро, а образующееся тепло является мягким и очень приятным.
Как правильно выбрать электрическую печь для сауны?
На современном рынке представлен огромный ассортимент электрических печей для сауны с разнообразными характеристиками и функциями. Наиболее популярные модели разных категорий представлены на следующем изображении.

Наиболее популярные модели разных категорий
Представленное многообразие моделей способно смутить и запутать неосведомленного пользователя. Чтобы выбрать оптимально подходящую электрическую печь для сауны, необходимо учесть ряд важных параметров и сопутствующих нюансов. Информация по этому поводу приведена в следующей таблице.
Таблица. Критерии выбора электрической печи для сауны
| Критерий выбора | Описание |
|---|---|
Объем парилки |
Для определения объема помещения необходимо, как известно, перемножить значения его высоты, ширины и длины. По результатам этого расчета определяется требуемая мощность электрической печи в киловаттах на основании простого правила: 1 кВт электроэнергии на каждый кубический метр пространства. Обязательно сопоставьте энерговозможности помещения (определяется индивидуально особенностями каждого проекта) с мощностью отопительного агрегата. Если будут расхождения, в лучшем случае печь попросту не включится, в худшем – произойдет короткое замыкание, возможные последствия которого в дополнительном озвучивании не нуждаются. Также убедитесь, что выбранная модель печи соответствует напряжению в сети вашей сауны (220 В либо же 380 В). |
Особенности управления |
Немаловажным критерием выбора электрической печки для сауны является механизм ее управления. Как отмечалось, печи могут комплектоваться встроенной панелью управления, выносным пультом либо же обоими элементами сразу. В отношении этого момента каждый покупатель принимает решение самостоятельно, отдавая предпочтение варианту, наиболее удобному именно для него. Если выбирается печь с пультом, проследите, чтобы дистанционное устройство позволяло как минимум включать агрегат, задавать требуемую температуру и отключать обогрев. |
Особенности нагревательного элемента |
Один из наиболее значимых критериев выбора. Как отмечалось, наибольшее распространение получили печи с ТЭНами. Помимо этого варианта, на рынке представлены модели с ленточными нагревателями, а также комбинированные вариации. ТЭНы способны разогревать окружающее пространство до впечатляющих показателей в сотни градусов. Их главными недостатками являются хрупкость и сравнительная недолговечность. Наибольшим качеством обладают ТЭНы, изготовленные из нержавеющих сплавов. Печи с ленточными нагревателями позволяют быстрее прогреть парилку до требуемой температуры по сравнению со своими аналогами, укомплектованными трубчатыми ТЭНами. Дополнительные преимущества ленточных нагревателей: — более высокие показатели экономичности использования; — экологичность; — более низкая температура нагрева поверхности, благодаря чему воздух «сжигается» не так ощутимо; — длительный срок службы. Комбинированные модели электрических печек для сауны объединяют в себе преимущества двух рассмотренных ранее моделей: — очень быстро прогревают пространство парилки; — обеспечивают максимально высокую температуру в помещении. Главным недостатком комбинированных моделей является высокая стоимость. |
Дизайн |
Дизайн – личное дело каждого. Сегодня производители предлагают огромнейший ассортимент электрических печей для сауны, выполненных в самых разнообразных размерных вариациях и имеющих различный дизайн. К примеру, помимо стандартных моделей, устанавливаемых около стены, можно приобрести агрегат, предназначенный для установки по центру помещения либо в углу. Корпус электрической банной печи может быть как просто красивым металлическим, так и отделанным натуральным камнем (талькомагнезитом, талькохлоритом, змеевиком и др.). Наличие такой облицовки является не только данью дизайну, но и функциональности: — обеспечивается более эффективная защита посетителей парилки от прямого воздействия инфракрасными лучами; — камни аккумулируют (накапливают) тепло, а после в течение некоторого времени отдают его окружающей среде даже после выключения печи, что позволяет несколько сэкономить на счетах за электрическую энергию; — облицовка способствует исключению конвекционных температурных перепадов и созданию в целом гармоничного теплового фона в парилке и т.д. |
Сопроводительные документы |
Попросите продавца предъявить сертификат соответствия на приглянувшуюся вам печь. При отсутствии такового, от покупки следует воздержаться, т.к. получить достоверные сведения в отношении того, где и кем была собрана печь, сколько она прослужит и является ли вообще такой агрегат безопасным, не получится. Важно! Ключевых документов 2: сертификат непосредственно на продукцию, а также на ее соответствие противопожарным нормам. |
Важные замечания перед установкой электрической печи для сауны
В соответствии с действующими нормативными положениями, установкой подобного рода оборудования должны заниматься профессиональные электрики, имеющие соответствующую лицензию. Однако многие владельцы решаются на самостоятельную установку электрических печей. При желании вы можете последовать их примеру, но помните: ответственность за любого рода последствия будет лежать исключительно на вас.
КАМЕНКА ЭЛЕКТРИЧЕСКАЯ ДЛЯ САУН VIZA Паспорт и инструкция по эксплуатации
Инструкция — скачать
Чтобы дальнейшая эксплуатация электрической печи для сауны была надежной и безопасной, необходимо обеспечить соблюдение нескольких важных требований.
Во-первых, в помещении должен присутствовать собственный заземляющий контур. При этом контур должен быть именно раздельным – подключение к нулевому проводу с электрической подстанции не подойдет. При отсутствии индивидуального заземляющего контура, нужно будет обустроить «зануление». Для этого выполняется соединение заземляющего кабеля устанавливаемой печи с нулевой клеммой распределительного щитка.

Контур заземления

Так выглядит контур заземления
Во-вторых, подключение электрической печки должно быть выполнено через индивидуальное устройство защитного отключения, срабатывающего в случае чрезмерного перегрева воздуха либо короткого замыкания.

УЗО
В-третьих, для подключения рассматриваемого устройства в сеть нужно использовать провод, рассчитанный на использование в подобных температурно-влажностных условиях.
В-четвертых, как отмечалось, установка агрегата должна быть выполнена с соблюдением зазоров по отношению к ближайшим поверхностям и предметам. Конкретные рекомендации по этому поводу приводятся в инструкции к печи – уточните в индивидуальном порядке. Минимально допустимые расстояния указаны на следующем изображении.

Минимально допустимые расстояния

Дополнительные сведения
Для полного понимания процесса, следует также рассмотреть требования, предъявляемые к проводам, кабелям и прочим сопутствующим компонентам, которые используются в процессе подключения электрической печи. Информация в отношении этих моментов приведена в следующей таблице.
Таблица. Требования к элементам монтажной схемы
| Подключаемый элемент | Описание |
|---|---|
| Пульт управления | Если печь укомплектована выносным пультом, его установка осуществляется на стене возле двери, ведущей в парилку, или в другом помещении с нормальной комнатной температурой (некоторые модели допускают установку непосредственно в парной, уточняйте индивидуально). В распределительном щитке должен присутствовать отдельный автоматический выключатель для пульта. При этом номинал автомата подбирается в соответствии с токовой нагрузкой, которую потребляет конкретная печь (сведения указываются в инструкции производителя). В соответствии с актуальными требованиями, при подключении электрической банной печи либо устанавливается дифференциальный автомат, с 30 мА номиналом тока утечки, либо после выключателя в цепь включается устройство защитного отключения. |
| Кабель для подсоединения выносного пульта управления | Каких-то строгих требований к нему не предъявляется. Если сеть однофазная, используется трехжильный провод, если трехфазная – пятижильный. Рекомендованные марки проводов – NYM либо ВВГ-нг. |
| Жила заземления | Отмечалось, что электрическая печка для сауны подлежит обязательному заземлению посредством соответствующей жилы (РЕ). Метод прокладки кабелей определяется в соответствии с условиями конкретной ситуации. Чаще всего применяется способ прокладки по кабель-каналам. |
| Кабель для подсоединения электрической печи | Подключать саму печь с использованием проводов в виниловой изоляции нельзя. Чтобы эксплуатация отопительного агрегата была максимально безопасной и эффективной, подсоединение должно быть выполнено при помощи специального кабеля, оснащенного резиновой изоляцией с высокими термостойкими свойствами (зачастую его приходится докупать отдельно) либо посредством термостойкого одножильного провода марки РКГМ. Рекомендации в отношении оптимальных сечений проводов указываются в инструкции к печи, т.к. этот момент зависит преимущественно от мощности, которую потребляет агрегат. Защита проводов обеспечивается силами металлической трубки или заземленного металлического рукава. Наряду с этим, прокладка кабелей по трубкам и рукавам является технически сложным мероприятием, а провода в термостойкой оболочке стоят достаточно дорого. Есть компромиссный вариант решения данного вопроса, требующий монтажа дополнительной соединительной коробки. Ее установка осуществляется на стене, при этом выдерживается примерно метровое расстояние от печи и 50-сантиметровое от пола. В данном случае подключение выполняется так: — до монтажной коробки скрыто прокладываются кабели марок NYM/ВВГ-нг; — от монтажной коробки через трубы/металлический рукав прокладываются уже провода в термостойкой изоляции. |
| Провода для подсоединения датчиков | Данные элементы присутствуют в комплекте с электрической банной печью. Скручивать, наращивать, включать в промежуточные соединения такие кабели запрещается. Требования в отношении точек установки датчиков приводятся в инструкции производителя – строго соблюдайте каждое из них. Чаще всего установка выполняется над электрической печью, а также над выходом из парилки и над банными полками. |
| Стеновые проходки | Если печка и прилагающийся к ней выносной пульт управления будут размещены в разных комнатах, придется обязательно обустраивать стеновые проходки, которые должны быть выполнены в строгом соответствии с актуальными требованиями ПУЭ. Так, в точках проходок монтируется закладная трубка, выполненная на основе огнестойкого материала. После устройства кабеля такую трубку нужно заделать материалом, не поддерживающим горение и не способствующим распространению огня. К примеру, можно использовать цемент. Важно! Совместное прохождение линий подсоединения датчиков с силовыми линиями кабелей недопустимо. |
На этом перечень основных требований заканчивается. Выполнив их, вы получите в свое распоряжение полностью безопасный, удобный в использовании и эффективный агрегат. И не нужно обустраивать ни защитных экранов, ни дымоходов, ни прочих элементов, наличие которых является обязательным в случае использования печей, работающих за счет сжигания топлива.
Инструкция по установке и подключению электрокаменки

Инструкция по установке и подключению электрокаменки
Привести универсальную инструкцию по подключению электрической каменки нельзя, т.к. конструкции таких агрегатов и схемы соединения элементов могут существенно различаться в зависимости от производителя и модели устройства. Ранее вы получили рекомендации по выбору проводов для подключения электрической банной печи и советы по ее безопасной установке. Далее вам нужно либо обратиться за помощью к профессиональному электрику, либо выполнить соединение элементов схемы в соответствии с инструкцией, приложенной производителем.
Для примера будет рассмотрен порядок настенной установки и подключения электрической печи Cava от компании SAUNATEC. Отдельно вы можете ознакомиться с руководством по монтажу популярной модели печи Harvia.
Файл для скачивания – Инструкция по подключению печи Cava
ЭЛЕКТРИЧЕСКАЯ ПЕЧЬ-КАМЕНКА ДЛЯ САУНЫ HELO® CAVA®
Файл для скачивания – Инструкция по подключению печи Harvia
Инструкция по подключению печи Harvia
Подготовка к установке и подключению
Прежде чем приступать к установке и подключению электрокаменки, убедитесь, что в комплекте поставки присутствуют все заявленные производителем составляющие. В рассматриваемом примере это:
Количество перечисленных элементов, равно как и состав приведенного перечня, может меняться в зависимости от конструкции устанавливаемой печи, ввиду чего данные моменты подлежат индивидуальному уточнению.
ИНСТРУКЦИЯ ПО УСТАНОВКЕ И ЭКСПЛУАТАЦИИ HELO RONDO
HELO RONDO
Характеристики электрокаменки, взятой в качестве примера для написания данного руководства, приведены в следующей таблице.

Таблица. Технические характеристики электрической печи
Важно! В инструкции производителя обязательно указываются сведения в отношении того, с какими пультами управления совместима конкретная электрокаменка. Обязательно следуйте приведенным рекомендациям. Эксплуатация печки с неподходящим пультом не является безопасной.
Внимательно осмотрите электрическую печь перед началом ее установки и подключения. Если вы заметите любого рода наружные повреждения либо же обнаружите отсутствие каких-либо элементов из заявленного комплекта, отложите установку и обратитесь по месту покупки устройства.

Внимательно осмотрите электрическую печь перед началом ее установки и подключения
Обязательно убедитесь, что мощности устанавливаемой печки будет достаточно для обслуживания вашей парилки. Рекомендации в отношении этих вопросов приводились ранее. Сведения насчет мощности и максимального объема обслуживаемого помещения обязательно приводятся производителями в инструкциях к своим печам.

Обязательно убедитесь, что мощности устанавливаемой печки будет достаточно для обслуживания вашей парилки
Чтобы монтаж электрической печи для сауны был выполнен на высшем уровне, обеспечьте соблюдение нижеперечисленных требований:
Установка и подключение
Инструкция по самостоятельной установке и подключению электрической печи для сауны приведена в таблице.
Таблица. Установка и подключение электрокаменки
| Этап работы | Описание |
|---|---|
Подготовка |
Внимательно изучите инструкцию конкретно к вашей электрической печи для сауны с целью определения минимально допустимых безопасных расстояний между печью и окружающими предметами/поверхностями. Рекомендации конкретно для этого агрегата показаны на схеме. Так, расстояние между возгораемыми поверхностями и каменкой в случае ее размещения на высоте не более 45 см равны 1 см. Если электрическая печь устанавливается на высоте, превышающей упомянутый показатель, расстояние между ее боковыми стенками и поверхностями нужно увеличить минимум до 10 см, между фронтальной стороной и возгораемыми элементами – до значения D. Параметр D зависит от мощности устанавливаемого устройства. К примеру, в случае с электрической печью мощностью 6 кВт значение D равняется 30 см, при установке устройства мощностью 9 кВт – 35 см и т.д. |
Подготовка крепежных элементов |
Для крепления рассматриваемой печи используется планка, отверстия которой расположены на расстоянии 24 см друг от друга. Непосредственно для крепления устройства к стене применяются следующие элементы: — крепежи печи, обозначаемые на схеме буквой А; — крепежные детали для фиксации к стене (обозначены буквой В); — винты металлические диаметром 4,2 мм и длиной 13 мм; — винт крышки. В случае с этой печью он имеет диаметр 6 мм и длину 40 мм. |
Установка крепежей каменки |
Крепежи А необходимо разместить в отверстии, расположенном на задней панели электрической банной печи. Выполните их установку так, чтобы фиксирующая часть крепежного элемента была сориентирована наверх. На изображении продемонстрирован правильный способ закрепления элементов А в конструкции электрической печи. |
Крепление настенной планки |
Настенная планка (отмечена как В) крепится к выбранному участку стены. Фиксация должна быть выполнена таким образом, чтобы отверстия с рассмотренными ранее крепежными элементами А располагались сверху. Также крепежную планку можно зафиксировать непосредственно на поверхности электрической печи. Предварительно разметьте на стене места крепления планки. Если нужно, можете просверлить направляющие отверстия для более удобного крепления. Далее вам останется прикрепить к стене устанавливаемое устройство. Для этого используйте саморезы из комплекта. Для крепления элементов печи к настенной стойке используйте саморезы, рассчитанные на работу с металлом. После завершения крепления к стене, удостоверьтесь в ровности и равномерности опирания ножек устройства на поверхность пола. При регулировке ножек выдерживается 15-миллиметровый допуск. Это дает возможность выполнения установки печки без перекосов и максимально ровно. |
Определение места размещения распределительной коробки |
Главная функция соединительной коробки сводится к обеспечению соединения электропроводов с термостойкой изоляцией, применяемых в парилке, а также проводов, посредством которых к устройству подводится напряжение, предоставляемое распределительным щитом. По возможности распределительную коробку следует установить за пределами помещения парилки – это оптимальный вариант. Если же такой возможности нет, место для монтажа коробки выбирается в соответствии с приведенной схемой. Устанавливаемая коробка должна иметь термостойкие свойства и уметь выдерживать температуру до +125 градусов. При этом подключение выполняется с помощью проводов, изоляция которых позволяет успешно эксплуатировать их при температуре до +170 градусов. При выборе места установки распределительной коробки убедитесь, что в дальнейшем не возникнет никаких затруднений при проведении ее обслуживания. |
Рекомендации по установке пульта управления и температурного датчика |
Соединение пульта управления с электрической печью осуществляется посредством кабеля. В продаже существуют модели пультов, рассчитанные на установку как за пределами парилки, так и внутри этого помещения. Привести какую-либо универсальную инструкцию в отношении выбора места расположения пульта и монтажа этого устройства нельзя – положения меняются в зависимости от модели агрегата и подлежат индивидуальному уточнению в инструкции производителя. В рассматриваемом примере система комплектуется температурным датчиком модели OLET 19. Его монтаж осуществляется на стене парилки вдоль линии нагревателя. Расстояние между потолком парной и датчиком – 4 см (в инструкции конкретно к вашему датчику могут быть указаны другие значения, уточните). Установку температурного датчика необходимо выполнить в строгом соответствии с рекомендациями производителя. Отклонения от утвержденных нормативов способны в результате стать причиной перегрева парилки. Непосредственно функция датчика очень важна: если электрокаменка ввиду каких-то причин разогреет окружающее пространство сильнее допустимых показателей, ограничитель, включенный в схему температурного датчика, отключит электропитание и, следовательно, печь. После снижения температуры до нормальных показателей, пользователь сможет самостоятельно вернуть ограничитель в его начальное положение, нажав для этого кнопку возврата. Важно! Перед возвращением ограничителя в начальное положение, постарайтесь найти причину срабатывания ограничителя и предпринять действия к ее устранению. Если вы не можете справиться с решением этой проблемы самостоятельно, пригласите квалифицированного электрика – такой режим работы электрокаменки не является нормальным и безопасным. |
| Устройство вентиляционной системы | Чтобы работа электрической банной печи была правильной и, что главное, безопасной для посетителей сауны, в помещении должен быть организован эффективный воздухообмен. В случае с электрокаменкой, полная замена воздуха в помещении должна осуществляться 6 раз в течение одного часа. Вентиляция может быть естественной и принудительной. Схемы каждого варианта с сопутствующим описанием представлены далее. |
Естественный воздухообмен в парилке |
При обустройстве естественной вентиляционной системы воздухоподающий канал обустраивается за печкой, на минимальном возвышении от пола. Подачу воздуха по возможности следует организовывать напрямую с улицы. Если это невозможно – со смежной комнаты с сухим свежим воздухом. Вытяжка обустраивается под потолком, на максимальном отдалении от электрокаменки и на расстоянии не менее 1 м вверх от приточного канала, через который подается свежий воздух. Проходное сечение вытяжного вентиляционного канала должно примерно двукратно превышать соответствующий параметр канала подачи свежего воздуха. Каждый канал укомплектовывается собственной вентиляционной задвижкой по размеру. При этом на вытяжку рекомендуется установить 2 задвижки – одну у потолка, другую – под верхней полкой. Важно уметь правильно пользоваться вентиляцией. Так, если парилка не используется по своему прямому назначению и в помещении никого нет, задвижки следует закрыть. Прежде чем включать печь, надо полностью открыть задвижку воздухоподающего канала и частично задвижку вытяжки, обустроенной под верхней полкой. По мере разогрева помещения, интенсивность воздухообмена регулируется посредством изменения степени открытия вытяжной задвижки. После отключения электрической печи, верхняя вытяжка полностью открывается, что позволяет обеспечить эффективную просушку парилки. Дополнительные замечания: — между нижней частью двери, ведущей в парную, и поверхностью пола нужно оставить минимум 50-миллиметровый промежуток; — ввиду того что система укомплектовывается температурным датчиком, размещать входной канал в области над печью на высоте больше 100 см от поверхности потолка запрещается. |
Принудительный воздухообмен в парилке |
В случае обустройства принудительной вентиляции, за подачу свежего воздуха будет отвечать вентилятор. Обустройство приточного канала осуществляется на 0,5 м выше электрической печи. Вытяжку нужно обустроить на минимальном расстоянии от пола (видно на схеме). При расчете мощности приточного вентилятора придерживайтесь правила, в соответствии с которым на каждого посетителя парилки должно приходиться не менее 10 м3 воздуха в течение одного часа. Важно помнить и о том, что повышение производительности вентиляционной системы неизбежно влечет за собой необходимость увеличения мощности электрического оборудования и способствует возрастанию энергопотребления. Зато наличие принудительного воздухообмена дает возможность организации более равномерного распределения подогретых воздушных масс по высоте помещения, что является большим преимуществом по сравнению с естественной вентиляцией. |
| Подключение печи к электросети | Для понимания процесса нужно изучить ряд правил и схем, что вам и предлагается сделать за пределами таблицы. |
Подсоединение рассматриваемого оборудования к сети выполняется посредством специальных кабелей в термостойкой изоляции. Оптимально подходят зарубежные марки VSB и VSN либо их отечественные аналоги РКГМ, ПВКВ и т.п. Для определения нужных параметров кабелей ориентируйтесь на сведения, приведенные в следующей таблице.

Таблица. Выбор кабелей для подключения электрокаменки
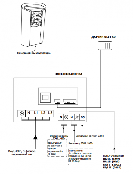
Непосредственно схемы подключения вы можете изучить в инструкции производителя, приложенной конкретно к вашей печи. В случае с рассматриваемым примером, монтажные схемы подключения имеют следующий вид.

Монтажные схемы подключения

Монтажные схемы подключения
Принципиальная схема подключения электрической печи для сауны представлена на следующем изображении.

Принципиальная схема подключения электрической печи
Выполнив подключение печи в соответствии с вышеприведенными схемами, приступайте к проведению дальнейших этапов работы.
Таблица. Укладка камней
| Этап работы | Описание |
|---|---|
Подготовка к укладке камней |
Мыльные камни укладываются только после того, как печь установлена в соответствии с инструкцией. Рекомендации по монтажу агрегата на стене приводились ранее. |
Укладка нижнего камня |
Распакуйте камни. Достаньте из упаковки короткие элементы. Камень, подлежащий укладке в первую очередь, вы узнаете по закругленным нижним углам. Аккуратно поместите элемент в паз печного корпуса. Углы оставшихся мыльных камней не отличаются, поэтому порядок их установки значения не имеет. |
Укладка следующих камней |
На этом этапе выполняется монтаж фиксирующих пластин (в рассматриваемом примере их 8). Установка пластин должна быть осуществлена таким образом, чтобы они перекрывали укладываемые камни. Благодаря этому между уложенными элементами будет оставаться требуемый зазор. Пластины монтируются с каждой стороны всех укладываемых мыльных камней, кроме самого первого. После завершения укладки фронтальных (коротких) камней, положите в печь элементы, рассчитанные на установку внутри нагревателя. Их суммарный вес для рассматриваемой печи должен составить порядка 30 кг. В комплекте поставки камней с большой долей вероятности не будет и вам придется добыть их самостоятельно. Лучший вариант – покупка в специализированном магазине. Более подробно этот момент будет рассмотрен далее. Укладывайте камни так, чтобы ТЭНы были полностью закрыты. Важно! Укладка камней должна быть выполнена строго в соответствии с приведенным руководством. Размещать камни между мыльными фронтальными элементами и ТЭНами нельзя. Помимо этого, запрет на эксплуатацию электрической печи для сауны накладывается в случае отсутствия мыльных фронтальных камней, а также при обнаружении трещин на укладываемых элементах. |
Установка опорных пластин |
Уложив внутренние камни, приступайте к закреплению над ними опорных пластин из комплекта. Порядок установки этих элементов представлен на изображениях. Заглянув в корпус электрической печи для сауны, вы увидите специальные ограничители. Наличие этих элементов будет препятствовать перемещению мыльных камней после их размещения. Выполните установку пластин между предустановленными вертикальными ограничителями. Непосредственно камни, при этом, тоже будут расположены между ограничителями. |
Порядок укладки первого верхнего мыльного камня |
Для правильной укладки верхнего мыльного камня сначала вам надо продвинуть его край под одну из кромок, а после этого под вторую кромку, чтобы в результате был обеспечен упор элемента в поверхность ограничителя. При этом контролируйте, чтобы верхний мыльный камень располагался позади предустановленного ограничителя. |
Размещение следующих верхних мыльных камней |
Выполните укладку верхнего мыльного камня, имеющего закругленные края. Данный элемент надо продвинуть под кромку со второго конца, после чего протолкнуть по опорной плите, пока не будет достигнут ограничитель. На соответствующем изображении отмечены стрелочками ограничители для фиксации положения укладываемых камней. |
Укладка средних мыльных камней |
В случае с этой печью средние камни имеют длину 40,5 см. Установка выполняется так: сначала элемент проталкивается в пространство под правой кромкой, после чего продвигается по плите под кромку слева, пока не будет обеспечен упор с горизонтальным ограничителем. Завершив укладку, убедитесь, что между элементами обеспечены равномерные зазоры, а сами камни располагаются между ограничителями. |
Размещение внутренних камней |
Как отмечалось, полноценная и правильная работа электрокаменки обеспечивается комплексными усилиями облицовочных (мыльных) и сторонних внутренних камней, которые лучше всего отдельно приобрести в специализированном магазине для бань. Прежде чем укладывать камни в печь, их следует промыть и высушить. Внизу размещаются самые большие камни, вверху – элементы меньшего размера. Между укладываемыми камнями нужно выдерживать зазоры для циркуляции воздуха. Дополнительно следите, чтобы под воздействием камней не происходило прижатия нагревательных элементов по отношению друг к другу и к корпусу печки. Уложите камни так, чтобы нагревательные элементы были полностью закрыты. От использования чересчур мелких камней воздержитесь – при их наличии циркуляция воздуха заметно ухудшится. Между первым ТЭНом и передними облицовочными камнями внутренние камни не укладываются. Прежде чем включать печь, убедитесь, что все камни целые и расположены с соблюдением требований инструкции. Включать печь при обнаружении упомянутых нарушений нельзя. Важно! Не используйте керамические камни в комплексе с электрической печью для сауны – это может вывести ее из строя и лишить вас права на гарантийное обслуживание. Включать печь без камней запрещается. |
Чтобы электрокаменка максимально долго и качественно выполняла возлагаемые на нее задачи, ее нужно правильно прогреть перед вводом в постоянную эксплуатацию.
Первый нагрев осуществляется следующим образом:
Порядок второго прогрева следующий:
Важно! При первых нагревах лить воду на камни запрещается. В противном случае они могут преждевременно разрушиться.
После второго прогрева устройство можно вводить в постоянную эксплуатацию.
Полезно знать! В процессе эксплуатации окраска мыльных камней может изменяться – это нормальное явление. К подобным изменениям приводят, во-первых, воздействия высокой температуры, во-вторых, качество разливаемой на камни воды.
Важно! Если вы обнаружите, что в процессе работы печи камни выделяют какой-либо запах или трескаются, откажитесь от их использования.
Рекомендации по правильной эксплуатации электрической печи для сауны

Рекомендации по правильной эксплуатации электрической печи для сауны
Печь установлена и подключена. Осталось лишь разобраться, как ей правильно пользоваться. Начать изучение этого раздела рекомендуется с более подробного ознакомления со сведениями в отношении первого включения электрической каменки.
Первое включение электрической банной печи

Первое включение электрической банной печи
Прежде всего, удостоверьтесь, что ваша печь надежно и правильно установлена, включена в сеть, камни разложены в соответствии с рассмотренными ранее требованиями, а температурный датчик и пульт управления находятся там, где должны и подключены с соблюдением требований соответствующих инструкций производителя.
Включите электрокаменку с помощью главного выключателя. Обычно он располагается внизу устройства. Выставьте рекомендованную ранее температуру (для первого прогрева – 50 градусов). Дайте печи поработать в течение часа, а после выключите. На протяжении этого времени внимательно следите за ее состоянием.
Важно! Первое включение может сопровождаться появлением стороннего запаха. Это является вариантом нормы и достаточно быстро проходит. Появление нехарактерного запаха при последующих включениях печи является поводом для обращения в сервисную службу.
Техника безопасности
Чтобы посещение сауны, укомплектованной электрической печью, вызывало лишь приятные впечатления и не доставляло никаких неприятностей, соблюдайте ряд простых правил.
- Не оставляйте детей одних в помещении парилки без контроля взрослых.
![Печь для сауны электрическая 220 В Печь для сауны электрическая 220 В]()
Не оставляйте детей без присмотра
- Поддавайте воду на каменку максимально осторожно – горячий пар при неправильном с ним обращении может запросто обжечь кожу.
- Не закрывайте установленную печь какими-либо предметами.
- Не допускайте ухудшения циркуляции воздухообмена вокруг электрической печи.
- Не ходите в сауну в состоянии опьянения и при плохом самочувствии.
- Не допускайте посещения сауны беременными женщинами и детьми, не достигшими 6-летнего возраста, без предварительного согласования с врачом.
- Не пытайтесь превзойти свои возможности в парилке: устанавливайте температуру, которая является комфортной именно для вас. В противном случае можно не оздоровиться и расслабиться, а наоборот существенно навредить своему здоровью.
- Не используйте неисправное оборудование.
- Используйте только те ароматические средства, которые предназначены для применения в банях и саунах.
- Выполняйте чистку электрической печи только теми средствами, которые для этого предназначены. Применение абразивных средств запрещено.
- Не поливайте камни морской водой, а также водой, содержащей повышенное количество хлора/соли – из-за этого металлические элементы печи быстро заржавеют.
![Печь для сауны электрическая 220 В Печь для сауны электрическая 220 В]()
Электрокаменка
- Не допускайте закрывания температурного датчика чем-либо.
Как ухаживать за электрической печью и сауной?
Прежде всего, в помещении парилки нужно поддерживать элементарную гигиену. После каждого посещения парной наводите в ней порядок и просушивайте, открывая для этого вентиляционный клапан.

Электрическая печь в сауне
Минимум 1 раз в год (в случае интенсивного использования сауны – раз в полгода) вынимайте все камни, осматривайте их на предмет целостности и заменяйте растрескавшиеся элементы. Осколки камней доставайте из печи и выбрасывайте. Для замены испортившихся элементов используйте исключительно высококачественные камни, разработанные специально для применения в комплексе с электрическими печами.
Регулярно протирайте печь увлажненной мягкой ветошью для устранения внешних загрязнений и в целом поддержания приемлемого внешнего вида устройства. Применять абразивные чистящие средства запрещается.
Ежегодно приглашайте профессионального электрика в свою сауну с целью проверки состояния соединений в клеммной коробке – постоянные температурные колебания приводят к ослабеванию винтовых соединений.
Популярные неисправности электрических печей для сауны
Не исключено, что в процессе эксплуатации электрокаменки возникнут разного рода проблемы. С описанием наиболее часто встречающихся неисправностей вы можете ознакомиться в следующей таблице.
Таблица. Популярные неисправности электрических печей для сауны
| Проблема | Варианты решения |
|---|---|
| Печь не нагревается | Попробуйте решить проблему, выполнив следующие действия: — включите главный выключатель; — активируйте нагрев при помощи пульта управления электрокаменкой; — убедитесь в наличии входного напряжения; — проверьте состояние ограничителя температуры – возможно, он сработал и отключил печь; — убедитесь в целостности предохранителей. |
| Печь греет недостаточно хорошо | Среднее время прогрева качественно утепленной парилки электрической печью составляет 1 час. Если в течение указанного периода ситуация в парной не изменилась к лучшему, попробуйте выполнить нижеперечисленные действия: — повысьте температуру, задав соответствующее значение на пульте управления; — убедитесь в правильности укладки камней и их достаточном количестве. Не забывайте о необходимости оставлять зазоры между отдельными элементами, отсутствие которых приводит к ухудшению циркуляции воздуха; — убедитесь, что мощности используемой печи достаточно для обслуживания парилки такого объема; — проверьте состояние вентиляционной системы – слишком интенсивная работа таковой приводит к необходимости повышения мощности печи; — проверьте работоспособность всех нагревательных элементов (во время работы они краснеют). |
Если предпринятые действия не помогли нормализовать ситуацию, проблемы являются достаточно серьезными и требуют привлечения квалифицированного специалиста – справиться с ними самостоятельно без наличия соответствующих навыков не удастся.
Электрическая каменка – отличная альтернатива привычным печам, работающим на принципах сжигания топлива. Теперь вы сможете выбрать устройство и подготовиться к его подключению либо даже полностью справиться с этим мероприятием собственными силами.
Удачи!

