Одноэтажные бани с верандой
Благодаря современным строительным материалам, застройщики имеют возможность возводить различные варианты одноэтажных бань с верандой.

Одноэтажные бани с верандой

Проект бани с верандой
Строения отличаются по:

Типы фундаментов зданий

Распространенные типы фундаментов

Виды столбчатого фундамента

Сруб бани

Баня из профилированного бруса

Баня из кирпича

Баня из блоков

Баня из сэндвич-панелей

Баня каркасная

Типы крыш по форме

Типы и виды крыш

Баня-пристройка из бруса

Баня с беседкой

Баня с летней кухней

Банный комплекс с галереей
Мы уже не вспоминаем отличия конструкций печей, наличие автономного отопления, системы водоотвода. В одной статье рассмотреть все особенности строительства каждого варианта бани даже теоретически не представляется возможным, рассмотрим только один вариант: баня из пеноблоков.

Одноэтажная баня с верандой под вальмовой крышей
С чего начинается любое строительство бани
С составления проекта, не обязательно обращаться в специализированные компании, это очень дорого. Достаточно познакомиться с многочисленными предложениями в интернете и на основе полученной информации подобрать для себя оптимальный вариант или создать свой индивидуальный проект. По каким критериям выбирать (или составлять) проект бани?
Количество членов семьи. Для семьи из трех–четырех человек вполне достаточно иметь баню размером ≈10÷16 м2. такие габариты позволяют внутри разместить вполне комфортную помывочную (≈4 м2), парную (≈4 м2) и комнату отдыха (≈3 м2).

Проект бани

Вариант планировки
Если семья больше или вы планируете мыться в бане с друзьями – подойдет вариант бани с размерами ≈20÷30 м2. Эти размеры дают возможность значительно увеличить комнату отдыха (до ≈10 м2), размеры парной и помывочной до 6 м2, сделать отдельный тамбур у входных дверей.

Тамбур бани
Желательно одновременно сделать веранду (террасу). Чем отличается веранда от террасы? Веранда имеет остекление и может быть утепленной. Мы бы не советовали делать веранду, ее роль отлично выполняет комната отдыха. А терраса позволит после водных процедур наслаждаться свежим воздухом. Но мы только советуем, окончательное решение за вами.

Остекленная веранда

Баня с террасой
Элитная баня. Здесь уже фантазия ограничивается только вместимостью кошелька. Можно делать бассейны, отдельно русскую парную и финскую сауну, помещения для отдыха и тренажерные залы. Такие проекты самостоятельно не сделать, следует обращаться в специализированные проектные компании.

Элитная баня. Парная с подсветкой

Бассейн в бане

Шикарная комната отдыха в бане

Комната отдыха
Мы остановимся лишь на одном довольно простом варианте бани с верандой из пеноблоков.

План помещений
Технология строительства бани с верандой из пеноблоков
Из всех возможных вариантов строительных конструкций мы выбираем наиболее простой.
- Ленточный мелкозаглубленный фундамент и системой водоотвода.
- Двухскатная наклонная крыша под баню и веранду, покрытие металлопрофилем.
- Внутренняя отделка и полы – натуральная вагонка и строганные доски.
- Печка металлическая самодельная.
- Внешняя отделка – покраска устойчивыми красками.
Этапы работ
Вначале нужно сделать расчет требуемых материалов. Что вам понадобится?
Во время изготовления бетона потребуется цемент определенной марки, песок и гравий. Для ознакомления с рекомендуемыми пропорциями изучите предлагаемую таблицу №1.

Таблица №1
Для расчетов количества ингредиентов бетона пользуйтесь таблицей №2

Таблица №2
Никто во время изготовления бетона своими руками с точностью до килограмма не взвешивает ингредиенты, этими нормами пользуются промышленные предприятия для списания материалов.
Для нашего варианта бани достаточно бетон марки 200, он может выдерживать нагрузку ≈200 кг/см2.

Бетон М200 полностью подходит для заливки фундамента бани
Посчитайте объем вашего фундамента и объем фундамента под печь (если она будет его иметь), это даст вам возможность определить количество всех составляющих бетона. Полученную величину нужно увеличить примерно на десять процентов, что покроет возможные ошибки и отходы.

Схема расчета сборного ленточного фундамента
Для коробки нужно закупить пеноблоки. Для кладки одного кубического метра блоков необходимо приблизительно 0,2 м3 цементно-песчаного раствора, имейте это в виду. Для подсчетов количества блоков нужно разделить один кубический метр на объем одного блока. К примеру, при размерах блока 200×300×600 мм его объем составляет 0,036 м3, следовательно, для кубометра кладки понадобится 27,8 шт. (1:0,036).

Пеноблоки

Пеноблоки 60х30х20 на поддонах
Таким же методом подсчитайте количество половых досок, досок для обшивки потолка и стен, пластиковых вагонок и кровельных покрытий. Определите количество и длину половых и потолочных балок размером 100×100 мм, досок для стропил 50×100 мм, реек для обрешетки 20×50 мм. Ничем не отличаются расчеты количества кровельных материалов, утеплителей и гидроизоляционных материалов.
Само собой, нужно приобрести гвозди и саморезы, плинтуса, наличники, двери и окна. Все подсчеты сделаны, материал закуплен – можно начинать строительные работы.
Фундамент
Мы уже определились, что выбираем ленточный мелкозаглубленный вариант.

Мелкозаглубленный ленточный фундамент
| № п/п | Описание работ | Иллюстрация |
|---|---|---|
| Шаг 1. | Подготовка площадки. Следует по максимуму выровнять площадку по периметру фундамента и убрать верхний плодородный слой. Не ленитесь выравнивать землю, в противном случае придется увеличивать затраты материалов и времени на сооружение фундамента. |
Подготовка площадки |
| Шаг 2. | Разметка. Очень важный этап, допущенные ошибки исправить очень трудно, а во многих случаях невозможно. Заготовьте деревянные колышки, рулетку и веревку. Вбейте по размерам внешних сторон фундамента колышки и проверьте углы. Все они должны иметь ровно 90°. Предварительно сделайте разметку по шаблону. Проверять нужно при помощи диагоналей – длина двух диагоналей должна быть одинаковой. Ширина фундамента в нашем случае 25 сантиметров. |
Разметка фундамента |
| Шаг 3. | Копание траншеи. Достаточно глубины 60 сантиметров, для предупреждения вспучивания земли на дне нужно сделать песчаную подушку толщиной 15÷20 см. Это намного легче, чем рыть фундамент на глубину промерзания, в холодных климатических районах она может достигать более двух метров. Песок компенсирует вспучивание замерзшей земли, фундамент будет устойчивым. Если панируется печь с фундаментом – подготовьте яму и под него. |
Копание траншеи
Глубина промерзания грунтов |
| Шаг 4. | Заливка бетона в землю. Если на вашем участке земля плотная и траншеи не обваливаются – отлично, бетон можно лить без опалубки. Если песок – придется делать опалубку не только над землей, но и в траншее. Это нужно сразу предусмотреть и регулировать ширину фундамента. Опалубка делается из отрезков, досок б/у, листовой фанеры или влагостойких плит ОСП. Очень важно – крепите опалубку с таким расчетом, чтобы потом ее можно было легко демонтировать. |
Заливка фундамента |
Бетон идеально залить весь сразу, не получается – делайте заливку поэтапно. Главное, чтобы бетон ложился одинаковым по толщине слоем по всему периметру, в противном случае прочность фундамента резко ухудшится. Не забывайте о трамбовке, выполнять ее можно специальными вибраторами или самодельными «толкушками».

Уплотнение бетона вибрированием

Глубинные вибраторы
Армировать бетон следует строительной арматурой периодического профиля Ø 5÷8 мм.

Армирование — схема

Схема армирования

Армокаркас ленточного фундамента

Армирование следует производить во всех частях фундамента, даже в средних перемычках для межкомнатных перегородок
Очень важно: расстояние арматурного короба между опалубкой должно быть не менее 5 сантиметров, от дна поднимите его при помощи камней. Связка арматуры выполняется проволокой.

Арматура — фото

Фиксатор для каркаса

Ручная вязка арматуры крючком

Крючки для вязки арматуры

Вязка арматуры пистолетом

В домашних условиях можно создать альтернативу пистолету для вязки арматуры и переоборудовать для этого обычный шуруповерт
БЕТОННЫЕ И ЖЕЛЕЗОБЕТОННЫЕ КОНСТРУКЦИИ. ОСНОВНЫЕ ПОЛОЖЕНИЯ. СНиП 52-01-2003. Москва 2004 г. Файл для скачивания
СНиП 52-01-2003
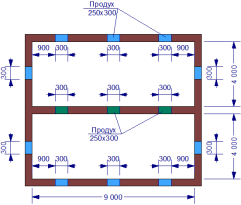
Очень важно. Не забудьте сделать продухи для вентиляции пола, без функциональной естественной вентиляции доски очень быстро сгниют. Для этого вставьте в опалубку отрезки труб или сделайте деревянные короба. Расстояние между продухами в противоположных стенах приблизительно 1,5÷2 метра. Одновременно в одном из углов оставьте отверстие для отвода воды.

Расположение продухов

Продухи

Установка продухов
Изготовление и установка опалубки
Высота опалубки должна быть немного больше высоты фундамента, устанавливается опалубка по уровню, надежно крепите все щиты к земле. Помните, что исправить «выпуклый» фундамент очень трудно.

Схема опалубки для фундамента
Заливка верхнего слоя фундамента
Работы выполняются так же, как и заливка бетона в землю. С одной разницей – внимательно проверяйте горизонтальность, строительные стандарты допускают отклонение по горизонтали не более одного сантиметра на пять погонных метров. В большинстве случаев поверхность ленты придется еще раз подравнивать. Дайте бетону выстояться не менее двух недель, после этого снимайте опалубку.

Заливка верхнего слоя фундамента
Фундамент готов, можно начинать кладку блоков.
Кладка блоков
Шаг 1. Разметка. Перед разметкой положите на фундамент два слоя гидроизоляции. В данном случае она не столько защищает блоки от разрушения (они не боятся повышенной влажности) как все деревянные элементы, примыкающие к ним. Сделайте точную разметку дверных проемов и мест соединения внутренних стен с внешними. Далее очень важный момент – выставление угловых маячных блоков.

На фото гидроизоляция, уложенная на фундамент

Установка первого углового блока

Проверка точности установки блока

Проверка двух блоков гидроуровнем

Использование гидроуровня
По всем углам здания без раствора укладываем по блоку, выставляем их с максимальной точностью по уровню, проверяем расстояние между ними по периметру и обязательно углы с помощью веревки. Как проверять углы мы уже рассказывали выше. Максимальное несоответствие длины диагоналей и периметра здания не должно превышать двух сантиметров, этот показатель можно устранить во время кладки стен. Теперь можно положить маячные блоки на раствор.

Кладка первого ряда блоков

Кладка первого ряда блоков — результат
Шаг 2. Осторожно вбейте в маячные блоки гвозди и натяните между ними веревку. Это будет шаблонная линия по высоте и линейности для следующего ряда блоков. Ряды блоков должны на несколько нависать над цоколем, так буде легче потом делать финишные работы по цоколю. Нанесите на фундамент раствор толщиной 1,5÷2 см, длину нанесенного участка потом отрегулируйте с учетом скорости вашей кладки.
Имейте в виду, что пенобетонные блоки очень быстро впитывают воду, все работы следует выполнять быстро. Первый ряд укладывается особой тщательностью. Во-первых, это ряд считается базовым. Во-вторых, у вас еще недостаточно опыта для того, чтобы использовать вместо уровня «мастерский точный глаз». Длина стены редко бывает кратной длине блоков, их придется подрезать, используйте для этого обыкновенную ножовку, пеноблоки отлично режутся таким простым инструментом.
Шаг 3. Не забывайте во время кладки первого ряда фасадных стен начинать выкладывать первый ряд внутренних стен с привязкой.

Монтаж перегородок из пеноблоков
Шаг 4. По углам бани и в месте стыковки стен аккуратно положите 3÷4 ряда блоков, несколько раз проверьте их положение. Далее в стыки каждого ряда будете фиксировать веревку и по ней продолжать кладку. В дальнейшем все операции нужно повторять: опять уложите несколько рядов по углам, натяните веревку и стройте стены.

Кладка стен из пеноблоков

Строительство стен

Стены из пеноблоков
Шаг 5. Оконные проемы. Когда высота стен сравняется с высотой расположения окон или дверей сделайте разметку по их ширине, кладку продолжайте с учетом высоты окон. В качестве перемычки можно использовать металлический уголок 50÷50 мм и более или металлическую арматуру диаметром от 10 мм и более, либо сделать бетонную перемычку. Концы перемычек должны заходить примерно на 25÷30 см на стены с каждой стороны оконного или дверного проема.

Для дверных и оконных проемов из пеноблоков ширина не должна превышать 1,75 м

Вариант использования арматуры для создания оконного проема

Оконные перемычки

Опалубка над оконным проемом

Опалубка над оконным проемом, процесс заливки бетона

Бетонная перемычка

Фото – армирование проёмов

Оконные и дверные проемы
Шаг 6. Два последних ряда нужно армировать строительной арматурой Ø 10 мм, уложите прутки в два–три ряда на равном расстоянии. Не доходя одного ряда до окончания кладки уложите потолочные балки 50÷100 мм. В связи с тем, что чердачное помещение использоваться не будет, для потолочного перекрытия можно применять доски 50×100 мм, концы досок, упирающиеся на стену, нужно изолировать рубероидом. Расстояние меду балками 1÷1,5 метра. Положите последний верхний ряд блоков. На этом коробка почти готова, фронтоны замуруются уже после возведения крыши. Во фронтонах нужно будет сделать окна.

Балки перекрытия

Торцы балок гидроизолированы

Фото гидроизоляции торцов балок

Настил чернового потолка

Процесс строительства бани

Кладка блоков вокруг балок перекрытия
Теперь можно приступать к строительству крыши. Она у нас будет двухскатной с вылетом для веранды.
Видео — Укладка лаг перекрытия
Видео — Черновое перекрытие
Видео — Строительство бани из пеноблоков
Крыша
Баня имеет небольшие размеры, мы выбираем один из наиболее простых вариантов стропильной системы – висячий.

Висячие стропила — расчеты

Виды висячих стропильных систем
Не забываем, что крыша будет с вылетом, перед ее установкой нужно зафиксировать вертикальные опоры для веранды. Отмерьте точно их длину и при помощи металлических уголков закрепите на фундаменте, еще раз проверьте высоту и при необходимости подровняйте. Горизонтальность проверяет веревкой или гидроуровнем.

Пример опор для веранды

Пример строительства веранды — столб из бруса
Для того чтобы работы можно было проводить быстро и безопасно, нужно настелить на имеющиеся потолочные балки временное (черновое) покрытие. Используйте для этого любые доски, все равно их потом нужно будет удалять для теплоизоляции потолка бани. Но и не слишком «халтурьте», по этому временному потолку нужно будет ходить во время строительства крыши.
Установка мауэрлата
На него будут упираться стропила, для мауэрлата используйте брус 100×100 мм. Брус укладывается под веревку по всей длине бани и веранды, для гидроизоляции используйте рубероид. К гидроизоляции относитесь внимательно, дело в том, что все материалы на основе цемента имеют свойство впитывать атмосферную влагу. А повышенная влажность оказывает негативное влияние на деревянные конструкции.
Шаг 1. Проверьте положение верхнего пояса кладки, при необходимости раствором подровняете его.
Шаг 2. Замерьте длину противоположных стен и расстояние до крайнего вертикального опорного столбика, по этим данным подготовьте брус.
Шаг 3. Положите на стену два слоя рубероида и на него брус, все работы делайте по натянутой веревке, мауэрлат должен находиться посредине блоков.

Схема крепления бруса

На фото прикрепленный брус и гидроизоляция
Очень важно! Расстояние между противоположными мауэрлатами должно быть абсолютно одинаковым.
Шаг 4. Надежно прикрепите мауэрлат к стене. Для этого можно использовать обрезки арматуры длиной 30÷40 сантиметра. Перед укладкой мауэрлатов желательно в них высверлить отверстия под металлические нагели, расстояние между отверстиями примерно один метр. По имеющимся отверстиям высверлите стены, вбейте металлические нагели. Мауэрлат нужно крепить прочно, правильно выполняйте все строительные операции.
Мауэрлаты нужно сделать и для вертикальных опор веранды. Настоятельно рекомендуем, чтобы один брус перекрывал опоры и был привязан к коробке бани – повысится устойчивость конструкции.

Мауэрлат
Шаг 5. Рассчитайте размеры стропил, сделайте одну заготовку из досок. Использовать для вертикальных упоров бабки нецелесообразно, достаточно только связать между собой стропильные ноги верхней стяжкой.

Схема крепления стропильной ноги

Крепление стропил пластиной
Для крепления используете гвозди или саморезы соответствующей длины, металлические уголки и пластины. Это намного ускорит и упростит процесс возведения стропильной системы. Для наших стропил подойдет доска 50×100 мм, расстояние между стропилами 1,2÷1,4 метра, количество стропил должно быть больше чем нужно для перекрытия коробки – эта крыша будет одновременно закрывать и веранду. Угол наклона скатов в пределах 20÷30°. Не забывайте, что стропила должны сантиметров на тридцать выступать за стены для отвода дождевых и талых вод.

Конструкция стропильной системы
Как сделать шаблон? Возьмите подходящие по длине доски толщиной 20÷25 мм, поднимите их на крышу бани. Одним гвоздем соедините вверху внахлест, доски должны вращаться. Предварительно «на глаз» выставьте угол наклона, вбейте вверху второй гвоздь, таким образом зафиксируется угол наклона стропильных ног. Приставьте шаблон к мауэрлатам, отметьте место стыковки, зарежьте в этих местах упорные «пятки», еще раз проверьте положение стропильных ног. Пройдитесь с шаблоном по всей длине бани, делайте проверку стропил. Если все нормально – можете спускать шаблон на землю. По этому шаблону изготовьте все стропила, поднимайте на крышу уже готовые конструкции. Далее стропильные ноги можно монтировать на мауэрлаты.

Шаблон делают из досок шириной равной ширине стропил

Соединение стропил

Параметры для расчета стропил

Разметка
Шаг 6. Установите стропила по краям крыши, включая и их вылет над верандой.

Первая стропильная ферма

Веревка предохраняет от падения за баню, а доска от падения на баню
Проверьте положение, все нормально – временно зафиксируйте их снизу любыми досками или рейками соответствующей длины. Натяните по коньку веревку и можете устанавливать все остальные стропильные ноги.

Фиксация стропил

Пример сборки стропил
Шаг 7. Прибейте обрешетку. В нашем варианте для кровельного покрытия выбран металлопрофиль (профлист). Расстояние между обрешеткой приблизительно 40 сантиметров, этого достаточно для надежной фиксации листов. Для обрешетки можно применять рейки или недорогие доски. Вторые предпочтительнее – меньше вероятность непопадания самореза в рейку.

Обрешетка под профнастил
Шаг 8. Есть желание – установите гидробарьер, нет желания – не устанавливайте. Правильно накрытая крыша и так не будет иметь протеканий. Кроме того, у нас чердачное помещение не эксплуатируется, утепление крыши делать не нужно.

Укладка гидроизоляционной пленки и обрешетки
Шаг 9. Внимательно разметьте положение первого ряда профилированных листов, по длине перекрытия должно быть не менее 10 сантиметров. Желательно первый ряд настелить без фиксации и все проверить.
Шаг 10. Закрепляйте листы по очереди при помощи специальных саморезов с резиновой прокладкой, длина саморезов не менее 25 мм. На коньке нужно установить специальную металлическую изогнутую планку. Ее можно купить в магазине или сделать самостоятельно. Прикрепите снегозадержатели.

Как крепится профлист

Как крепить профнастил на крыше

Как крепить профнастил саморезами (угол наклона)

Монтаж профнастила
Шаг 11. Забейте ветровыми досками выступающие над стеной части стропил.

Ветровая доска из дерева

Сайдинг
Шаг 12. Установите систему водостока. Кронштейны нужно фиксировать к ветровым доскам, сделайте небольшой угол наклона в сторону приемника воды. Вертикальные трубы поставите уже после обшивки внешних стен.

Установка водостоков

Монтаж держателей желоба

На фото — крепление водосточного желоба

Монтаж водостока
Теперь можно замуровать блоками фронтоны, предусмотрите в них окна. На этом с крышей все. Можно приступать к установке полов и потолков.

Пример строительства фронтона

Фронтон и сложная перемычка оконного проема

Кладка фронтона
Видо — Кладка фронтона
Установка пола в парной
Полы будем стелить прямо по половым балкам, расстояние между балками один метр, для покрытия используйте обыкновенную обрезную строганную доску толщиной приблизительно 25 мм. Перед началом установки пола определитесь с местом стока воды, подготовьте приемник и сделайте вывод за периметр бани.
Для лучшего схода воды сделаем небольшой уклон пола, 2÷3° вполне достаточно. Пол будет иметь уклон к одной из стен, решетку можно купить заводскую или сделать самостоятельного из куска листового алюминия.
Шаг 1. Сделайте разметку и установите половые балки из бруса 100×100 мм. Концы нужно обязательно обмотать рубероидом. Зафиксируйте балки в блоках стены, для этого продолбите в отверстия глубиной 10 см. Вставьте в них балки, щели заделайте раствором. Не забывайте делать небольшой уклон. В других помещениях бани балки устанавливаются аналогичным способом только без уклона. Для установки полов вам понадобится сделать упор для их стягивания или купить в магазине готовый. Этот упор крепится к балке, между ним и половыми досками вбивается деревянный клин для притягивания.

Чистовой пол

Лаги пола

Чем стягивать доски пола
Шаг 2. Доски приколачивайте поочередно, в парной можно оставлять небольшие щели, в других комнатах пол должен быть плотным.
Шаг 3. Прибейте плинтусы, в углах плинтусы соединяются под углом 45°, запилы делайте максимально аккуратными.

Установка деревянных плинтусов

Распил плинтуса в стусле
Пока шлифовать половые доски не нужно, эти работы сделаются в конце работ после обивки стен и установки окон и дверей. В других помещениях пол устанавливается по описанному алгоритму без уклона.
Установка потолка
Для потолка нужно брать обрезные доски толщиной 20 мм, верх потолка можно закрывать материалом б/у. Утепление советуем делать пенопластом. Дело в том, что минеральная вата очень боится повышенной влажности, в таких условиях существенно ухудшаются ее теплосберегающие характеристики. А использовать различные паро- и гидробарьеры дорого. Да и не дают они 100% гарантии защиты.

Утепление потолка пенопластом
Снизу к потолочным балкам прибейте доски, следите за размерами, не допускайте перекосов. Если нужно – оставьте лаз на чердак. Плотно уложите на прибитые доски листы пенопласта толщиной не менее пяти сантиметров, накройте сверху досками. Если вы уже знаете конкретное место установки печи и выхода дымохода – оставьте отверстия. Лучше, конечно, потолок оббивать натуральной вагонкой, но это довольно дорогое удовольствие. Если есть финансовые возможности – используйте вагонку.

Утепление потолка в бане своими руками
Окна и двери
Самостоятельно сделать эти конструкции вам не удастся, оптимальное решение – заказать по размерам пластиковые варианты, а устанавливать самостоятельно. По цене, долговечности и качеству пластиковые окна и двери удовлетворяют большинство застройщиков, и мы выбрали этот вариант. Расскажем, как установить пластиковое окно, двери вставляются таким же способом.
| Шаг, №№ | Описание действий |
|---|---|
| Шаг 1. | Очистите периметр оконного проема от пыли. |
| Шаг 2. | Если окно большое и тяжелое, то лучше вынуть стеклопакеты, если вес конструкции вас не пугает, то можно окна не разбирать. |
| Шаг 3. | Вставьте коробку в оконный проем, закрепите к стене специальными дюбелями. Для строений из пеноблоков следует увеличить количество мест фиксации, блоки не отличаются высокими показателями по физической прочности. Если в дерево или кирпич достаточно установить по два дюбеля с каждой стороны коробки, то пеноблоки требуют не менее четырех. Перед фиксацией нужно выставить коробку строго по уровню. Используйте во время этого процесса различные подкладки и клинья. Сразу поставьте на место подоконники изнутри и снаружи. |
| Шаг 4. | Запеньте щели монтажной пеной. Очень важно: пену нужно давать только на хорошо смоченные поверхности блоков. На сухих поверхностях коэффициент адгезии очень понижается. К сожалению, большинство компаний, занимающихся установкой окон, эту операцию пропускает – для них главное время, а не качество. |
| Шаг 5. | На следующий день нужно отрезать излишки пены. Заметили пропуски – заделайте их раствором, выровняйте поверхности. |

Пример установленных окон
Вот и все, все дальнейшие работы сделаются во время обшивки внешних и внутренних стен.
Обшивка внешних стен
Обратите внимание на сравнительные характеристики материалов по теплопроводности, мы считаем, что для бани дополнительного утепления не требуется. Если вы думаете иначе – не проблема, утеплите баню. Совет – утепляйте внешние стены, это намного проще и дешевле, а эффект одинаков. Подсчитайте общую площадь поверхностей без учета дверных и оконных проемов. Купите материалы: специальный клей для пенопласта, дюбеля и большими шляпками, пластиковую армирующую сетку, краску или декоративную штукатурку. Для утепления применяйте пенопласт толщиной от пяти сантиметров. Как это делать?

Теплоизоляционные свойства материалов
Шаг 1. Тщательно очистите стены из пеноблоков от песка и пыли.
Шаг 2. Установка маяков. Маяки применяются во время многих строительных работ, не «стесняйтесь» ими пользоваться. С их помощью не только ускоряются работы, но и значительно повышается их качество. В качестве маяков нужно установить плиты пенопласта по торцам бани, для установки применяется клей. Натяните между ними веревку и проверьте расстояние от нее до стены. В это расстояние должны входить листы и клей, если есть несоответствия – подровняйте в проблемных местах стену или измените положение маяков. Конкретное решение нужно принимать самостоятельно с учетом величины и места расположения неровностей.

Пример обрешетки
Шаг 3. По веревке приклеивайте ряды пенопласта, постоянно проверяйте уровнем их пространственное положение по всем направлениям и сторонам. Если у вас есть опыт работы с плитками – можете веревками не пользоваться, контролируйте положение листов длинной ровной рейкой. В оконных и дверных проемах пенопласт обрезается, места срезов закрываются доборными элементами: специальными наличниками и рейками.

Утепление стен снаружи

Утепление бани из пеноблоков
Шаг 4. Практика показывает, что дорогой клей можно экономить без ухудшения качества. Наносите его по углам и центру только для предварительной установки плиты пенопласта, окончательная фиксация выполняется специальными дюбелями после застывания клея, как правило, на следующий день. Именно дюбеля будут держать утеплитель.

Схема утепления стен
Шаг 5. Если поверхности очень неровные – постепенно выравнивайте ряды, щели между плитами можно запенить.
Шаг 6. Закрепите плиты дюбелями, Один дюбель должен держать один угол плиты пенопласта, еще один дюбель следует установить в центре плиты. Всего на плиту нужно пять дюбелей. Некоторые строители пытаются сэкономить и удерживать одним дюбелем все углы четырех смежных прилегающих листов пенопласта. Такой метод экономии рискованный, решайте сами, пользоваться ним или делать все по правилам.

Схема монтажа утеплителя
Шаг 7. Армирование пластиковой сеткой. Учтите, что толщина клея должна быть не менее 5 миллиметров, в противном случае вам не удастся полностью скрыть сетку. Скрывать сетку следует под покраску устойчивыми к выгоранию красками (фасадными). Если в дальнейшем планируется декоративная штукатурка – утапливать сетку нет надобности.
Обшивка внутренних стен
Перед обшивкой нужно сделать электропроводку, электрические кабели следует обязательно защитить металлическими рукавами. Сечение токопроводящих жил подбирается с учетом максимальной нагрузки и запаса мощности. Запас всегда делайте не менее 3–4 кВт, это позволит без опаски пользоваться дополнительными электрическими бытовыми приборами или обогревателями.
Для парилки обязательно используйте натуральную вагонку, все другие помещения можно отделывать любыми строительными материалами. Рассмотрим самый сложный вариант отделки стен – натуральной вагонкой.
Шаг 1. Сделайте разметку стены, определите места, где будете фиксировать вертикальные рейки. Размеры реек 20–50 мм, расстояние между ними примерно 50 сантиметров.
Важно – для пеноблоков выпускаются специальные дюбеля, не пользуйтесь обычными!

Дюбель-саморез SORMAT KBT нейлоновый для пенобетона
Шаг 2. Рейки должны устанавливаться по уровню, если на стене есть неровности больших размеров – их нужно убрать. Небольшие неровности можно устранить различными подставками под рейки.

Обрешетка
Шаг 3. Закрепите две крайние рейки, натяните между ними нить и установите по ней все остальные.
Шаг 4. Проверьте по углам расстояние от пола к потолку. Если есть разница, то отпилите первую вагонку под нужным углом для выравнивания горизонтальности. Лучше это делать внизу стены, там меньше бросается в глаза.
Шаг 5. При помощи небольших гвоздиков крепите вагонку, гвоздики вколачивайте в паз под углом. Следите, чтобы все гвозди попадали в рейку. Длина гвоздей примерно 2 см.

Монтаж вагонки
Шаг 6. Оббейте по периметру всю комнату, по углам для выравнивания срезов закрепите специальный деревянный уголок. Закрепите плинтусы и багеты (на полу и потолке).

Погонажные изделия из дерева
Можно некоторые комнаты отделывать листовой фанерой, плитами ОСП или гипсокартонными. Перед началом обивочных работ нужно выполнить такой же комплекс подготовительных работ и креплению несущего каркаса, как и для вагонки.
Смонтируйте трубы отвода дождевых вод. На этом самые большие и трудоемкие строительные работы закончены. Можете приступать к установке печи, полок для парной, различных полочек и скамеечек для банного инвентаря. А потом красить или штукатурить декоративной штукатуркой фасадные стены.
